2023年4月1日起開始實施的《建筑與市政工程防水通用規范》對于建筑防水行業來說是一個重要的里程碑,標志著我國防水技術標準將更加嚴格和規范化。其中戰略方針中增加了“以防為主”四個字,強調了防水工程的重要性,同時也反映了防水技術的進步和發展。萬事達建筑鋼品作為行業領先的金屬圍護系統供應商,多年來一直致力于不斷創新,自主研發了多種金屬屋面產品,以滿足市場上對屋面防水的各種需求。
先來為大家介紹一下金屬屋面工程防水等級和防水做法:
一級防水:需要設置不少于兩道防水,其中金屬板作為一道防水層,另一道防水層需選擇防水卷材,且要求卷材厚度不小于1.5毫米厚度。
二級防水:需要設置不少于兩道防水,其中金屬板作為一道防水層,另一道防水層需要選擇防水卷材,對防水卷材的厚度不做要求。
三級防水:需要設置不少于一道防水,即以金屬板作為一道防水層即可,無需設置其他防水層。
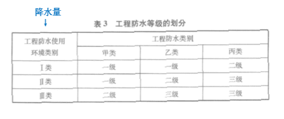
防水要求與項目所在地降水量以及項目需求息息相關,工程防水使用環境類別劃分為Ⅰ、Ⅱ、Ⅲ類,而按照其防水功能重要程度又分為甲類、乙類、丙類,根據這兩個維度,可選擇對應的防水等級。在工業建筑上,東南大雨量地區以外的對滲漏不敏感的工業建筑,屬于三級防水;對滲漏敏感的工業建筑、東南地區的工業建筑,屬于一、二級防水。

萬事達建筑鋼品自主研發的屋面產品系統自重輕、結構穩固,防水、抗風、隔熱、吸音性能優異,外觀適應性強,在工業建筑、公共場館、交通和商業建筑領域應用廣泛。其中,SR6?直立鎖縫屋面系統、必達BiTOP?裝配式柔性屋面系統、必耐BiLAP?夾芯板屋面系統都可以達到一級防水等級。

萬事達建筑鋼品嚴格遵循相關規范,通過嚴密的質量監控體系來確保產品在性能上達到或超越行業要求,為客戶提供符合標準、可靠且美觀的屋面一級防水方案。除了提供卓越的屋面防水方案外,萬事達建筑鋼品始終專注以綠色節能新材料,賦能中國制造業,未來也將繼續把創新、綠色、數智等新發展理念落實到金屬圍護產品的研發、制造和應用上,致力于成為社會可信任、可依賴的企業。
